Cerita Ray
BerandaTugas KuliahArtikel BebasTutorialTips & Trick
Cerita Ray
Beranda > Tugas Kuliah > rangkaiansekuensial
Rangkaian Sekuensial

Rangkaian Sekuensial

Ray Ramadita

Ray Ramadita |

22 Nov, 2022

Rangkaian sekuensial merupakan kasus khusus dari rangkaian kombinasional. Yang membedakan rangkaian ini dengan rangkaian kombinasional adalah terdapat proses penyimpanan sementara nilai keluaran yang lalu untuk digunakan pada proses selanjutnya. Salah satu komponen dasar yang membangun rangkaian ini adalah flip-flop yaitu komponen yang dapat menyimpan sebuah informasi.

Flip Flop Set - Reset (SR-Flip Flop)

Flip - Flop ini dibangun dari beberapa gerbang logika. Flip-Flop SR memiliki dua buah masukan S untuk Set dan R untuk Reset. Gerbang NAND biasa digunakan untuk membangun Flip - Flop ini. Simbol logika menunjukan dua masukan yang diberi label dengan set dan reset. Komponen ini juga memiliki 2 keluaran komplementer yang diberi label Q dan Q'.

Detak

Flip Flop SR di atas bekerja secara asinkron. Nilai S dan R dapat berubah kapan saja dan dalam tempo yang tidak bersamaan. Detak (clock) ditambahkan pada sisi masukan untuk menjaga sinyal masukan agar bekerja dalam tenggang tempo yang bersamaan. Kendali ini membantu flip flop lebih stabil.

Rangkaian Flip Flop SR yang ditambahkan detak (clock)

https://wikielektronika.com/wp-content/uploads/2021/08/SR-Flip-Flop.jpg

Simbol flip flop SR yang sudah ditambahkan detak

Flip Flop Data (D-Flip Flop)

Flip flop memiliki kelebihan yaitu dapat menyimpan nilai satu bit pada jalur keluarannya, kelebihan ini memungkinkan flip flop digunakan sebagai rangkaian untuk menyimpan data sebagai sel memori. Flip flop D dibuat untuk menyimpan satu bit 0 atau 1. Dengan memodifikasi sedikit flip flop SR, flip flop D bisa melakukan fungsi tersebut.

Rangkaian flip flop D

https://skemaku.com/mengenal-rangkaian-flip-flop-dan-cara-kerja-rangkaian-flip-flop-pada-teknik-digital/

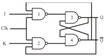
Flip Flop J-K (JK-Flip flop)

Flip flop SR memiliki beberapa kelemahan diantaranya terdapat kondisi pacu (race condition) yang tidak dapat diprediksi yaitu pada saat nilai SR = 11. Pada flip flop JK dibuat jalur balik dari masing - masing keluaran Q dan Q' menuju gerbang masukan NAND, hal ini tidak masalah karena gerbang NAND dapat memiliki lebih dari dua masukan. Secara umum cara kerja antara flip flop JK dengan flip flop SR adalah sama, namun yang membedakannya adalah pada saat JK bernilai 11 maka akan menyebabkan kondisi keluaran berubah (1 → 0 dan 0 → 1) atau toggle.

Rangkaian flip flop JK

https://wikielektronika.com/rangkaian-flip-flop/2/

Referensi:

Abdurohman, M. (2017). Organisasi dan Arsitektur Komputer edisi Revisi Keempat. Informatika Bandung

Thumbnail dari binus.ac.id

Ray Ramadita

Ray Ramadita

FullStack Developer

Undergraduate student at the Universitas Islam Negeri Sunan Gunung Djati that focused on Full-Stack development.

Related Posts

Categories